Documento dall'Università su Database e Intelligenza Artificiale. Il Pdf, utile per lo studio universitario di Informatica, esplora i fondamenti dei database, i modelli concettuali e logici, e introduce l'intelligenza artificiale, il machine learning e ChatGPT.
Mostra di più25 pagine


Visualizza gratis il Pdf completo
Registrati per accedere all’intero documento e trasformarlo con l’AI.
SISTEMA INFORMATIVO = insieme organizzato, tutto il complesso che ruota attorno all'azienda
(strumenti automatia, procedure manuali, risorse umane, materiali)
SISTEMA INFORMATICO = sottoinsieme del sistema informativo dedicato alla gestione automatica delle informazioni
daň digitali
SCHEMA TRADIZIONALE = ogni applicazione opera su dati organizzati-> problemi: . condivisione di dati
· no gestioni di enormi quantità di dati
ARCHIVIO = insieme di dati organizzati -> problemi: 1. incongruenza dati
2. problema lettura file
· dati non tenuti aggiornati
· no uso simultaneo
3. pesantezza file
SCHEMA DATABASE: · unica copia di dati
· accesso simultaneo
· interfaccia semplice
· dati sempre aggiornati
· non compromettere funzionamento altre applicazioni
server locale = qui
server remoto = non qui
DATABASE = collezione organizzata di informazioni memorizzate/recuperate da sistema remoto/locale
DBMS: Database Management System
gestisce la relazione tra il DATABASE e chi prova ad accederci
= software responsabile per la creazione, recupero, aggiornamento e gestione del database
caratteristiche:
·
integro
.
condivisibile
·
sicuro
.
persistente
.
consistente
.
scalabile
Un database è organizzato secondo un MODELLO = rappresenta uno schema composto di concetti e costrutti utilizzati per organizzare
i dati e descriverne la struttura e i vincoli che essa rispetta
1. MODELLO CONCETTUALE
Astrazione dei dati indipendente da qualsiasi sia il sistema.
Rappresenta i concetti presenti in una base di dati e non la struttura con cui sono archiviati in memoria. Due metodi:
- modello Entità-Relazione
- modello ad oggetti
2. MODELLO LOGICO
Impiega una specifica rappresentazione dei dati, le strutture seppur astratte riflettono una particolare organizzazione.
Principali modelli logici:
.
GERARCHICO -> svantaggi: troppo dipendente dalla realizzazione fisica del db operazioni di ricerca non efficienti
.
RETICOLARE -> svantaggi: ricerca difficile tra dati non direttamente connessi spreco di memoria per l'implementazione introduce
ridondanza estremamente rigido in caso di modifiche dopo la creazione
.
RELAZIONALE -> vantaggi: indipendenza dei dati (modifiche alla struttura fisica o alla rappresentazione logica dei dati non
comporta modifiche degli applicativi)
AD OGGETTI
MODELLO ENTITA' -RELAZIONE ER
PROGETTARE UN DATABASE:
D.B.
1.
raccolta requisiti
B
2.
schema concettuale COSA rappresentano
M
3.
schema logico COME rappresentano
4.
implementazione fisica
Progettazione
fisica
concettuale
Progettazione
logica
S
ELEMENTI FONDAMENTALI DEL MODELLO:
· ENTITÀ
· RELAZIONI
ATTRIBUTI
O
· GENERALIZZAZIONI
PASSAGGI:
1. individuo entità
3. trovo PK (primary key)
5. cardinalità
2. individuo attributi
4. trovo le associazioni/relazioni
DATI : dati sensati, organizzati, che hanno un nesso logico tra di loro-> meglio mettere dati che non variano nel tempo
ENTITÀ : concetto principale = concetto concreto o astratto che ha vita indipendente -> insieme di istanze
GIOCATORE
62
ISTANZA : singolo elemento dentro al gruppo/entità
ATTRIBUTI : caratteristiche/aggettivi riguardanti un'entità
-> DOMINIO = insieme dei valori assunti dall'attributo (interi, caratteri, stringhe, ... )
ATTRIBUTO IDENTIFICATIVO
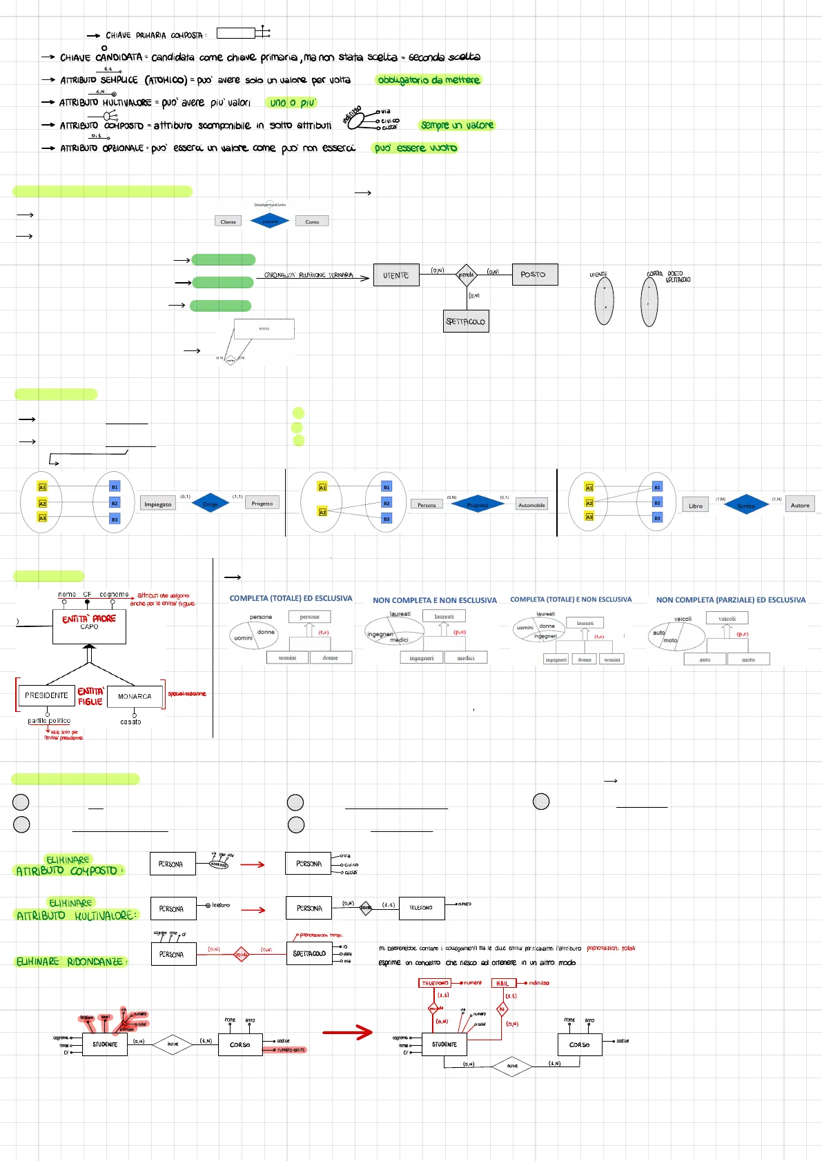
> CHIAVE PRIMARIA = Uno o più attributi che hanno un valore unico per ogni istanza (distinzione)
si inserisce solo nelle entità' NO nelle relazioni
> ATTRIBUTO FITTIZIO (artificiale) = quando non ho una chiave primaria ne creo una
> CHIAVE PRIMARIA COMPOSTA:
O
-> CHIAVE CANDIDATA = candidata come chiave primaria, ma non stata scelta = seconda scelta
-> ATTRIBUTO SEMPLICE (ATOMICO) = può avere solo un valore per volta
obbligatorio da mettere
> ATTRIBUTO MULTIVALORE = può avere più valori
uno o più
ovia
-> ATTRIBUTO COMPOSTO = attributo scomponibile in sotto attributi
o CIVICO
o citta'
sempre un valore
-> ATTRIBUTO OPZIONALE: può esserci un valore come può non esserci
può essere vuoto
RELAZIONE O ASSOCIAZIONE : mette in relazione le entità-> collegate tramite linee
DataAperturaConto
-> ATTRIBUTI SU RELAZIONE
Cliente
possiede
Conto
-> GRADO DI RELAZIONE = numero di entità coinvolte in una relazione
- relazione binaria
-> grado = 2
CARDINALITÀ RELAZIONE TERNARIA
UTENTE
prerota
UTENTE
COPPIA POSTO
SPETTACOLO
- relazione ternaria -> grado = 3
- relazione n-aria -> grado = n
STATO
- relazione ritorsiva
CARDINALITÀ : vincoli di cardinalità rappresentati con una coppia di numeri (min,max)
-> cardinalità minima
0
1
· O = è opzionale
· 1 = è obbligatoria
-> cardinalità massima
1
N
· N = non ha limiti
uno-a-uno (1:1)
uno-a-molti (1:N)
molti-a-molti (N:N)
A1
B1
A1
B1
(0,N)
(0,1)
Persona
Proprietà
Automobile
Libro
Scritto
Autore
A3
B3
(1,M)
(1,N)
AZ
B3
GERARCHIE
-> copertura delle generalizzazioni
nome CF cognome , attnbun che valgono
COMPLETA (TOTALE) ED ESCLUSIVA
NON COMPLETA E NON ESCLUSIVA
COMPLETA (TOTALE) E NON ESCLUSIVA
NON COMPLETA (PARZIALE) ED ESCLUSIVA
0
9
anche per le entità Figue
persone
persone
laureati
laureati
veicoli
veicoli
donne
uomini
ingegneri
(1,0)
1
moto
uomini
donne
ingegneri
medici
ingegneri
donn
uomini
auto
moto
PRESIDENTE
MONARCA
specialittodone
0
partito politico
casato
vale solo per
l'entila presidente
ENTITÀ PADRE
CAPO
donne
(t.e)
uomini
ingegneri
medici
(p,o)
auto
1Ì
(p.e)
A1
B1
(0,1)
B2
B3
(ON)
(ON )
POSTO
(ON)
SPETTACOLO
+numero
Lovia
laureati
laureati
ENTITÀ
FIGUE
RISTRUTTURAZIONE: procedura che si assicura che lo schema ER sia traducibile nello schema logico -elimina elementi non traducibili
1.
verifico PK (primary key)
3.
tolgo attributi composti
5.
eliminare gerarchie
2.
tolgo attributi multipli
4.
eliminare ridondanze
ELIMINARE
ATTRIBUTO COMPOSTO:
PERSONA
INDIRITTO
PERSONA
o civico
ELIMINARE
ATTRIBUTO MULTIVALORE:
PERSONA
@ telefono
PERSONA
(O,N'
(11)
TELEFONO
cognome rome . F
e prenotazioni totali
ELIMINARE RIDONDANZE :
esprime un concetto che riesco ad ottenere in un altro modo
TELEFONO
· numero
KAIL
· indirizzo
(1,1)
20
nome
ann
ootta®
porta
( ON)
cognome o
TOMTE O
OF
STUDENTE
iscrive
CORSO
· Codice
o numero iscrith
CF.
( ON)
scrive
(AN)
. codice
STUDENTE
CORSO
PERSONA
(ON)
(OIN)
SPETTACOLO
o daa
mi basterebbe contare i collegamenti tra le due ennta perficalarmi l'attributo prenotazioni totali
(O, N)
nome
anno
O.NÌ
(IN)
(1,1)
Impiegato
Dirige
Progetto
B2
AZ
B2
COLLASSO = eliminazione delle gerarchie - le sostituiamo con entità e relazioni
> collasso verso l'alto
-
accorpare le entità figlie nel genitore
-collasso verso il basso -> accorpare il genitore nelle entità figlie
quando tolgo i figli aggiungo TIPO al padre per poi saper distinguere i due figli
COLLASSO VERSO L'ALTO
ANIMALE
o colote
o nome
RETTILE
MAMMIFERO
parche presente solo as one delle due anare"
1
(0: 4 o nome
-o tipo
o codice
ANIMALE
o colore
maincola
Fome
cognome
maincola rome
Cognome
STUDENTE
DOCENTE
MATERIE
o nome
REPTILE
HAHAKIERO
classe
ripeiente
COLLASSO VERSO IL BASSO
matricola+
FOME o
PERSONA
(4 M)
(N)
SEDE
cognome o
STUDENTE
DOCENTE
( IN)
MATERIE
ciasve
inpeTence
-
( 1 , N )
(1,N)
SEDE
(4,N)
. name
(IN )
SQL = Structured Query Language
-> linguaggio usato per gestire/manipolare le basi di dati
Istruzioni suddivise in sottolinguaggi
DDL = Data Definition Language: istruzioni per definire, modificare, gestire la struttura del DB
CREATE - ALTER- DROP
DML = Data Manipulation Language:
istruzioni per inserire, modificare, gestire i dati delle tabelle
INSERT - UPDATE- DELETE
QL = Query Language: istruzioni per Interrogare il DB
SELECT
DCL = Data Control Language istruzioni per gestire i diritti di accesso e le autorizzazioni relative all'utilizzo del DB
NORMALIZZAZIONE: PRIMA FORMA NORMALE - 1FN
Una relazione (tabella) è in 1FN se:
· ogni attributo (colonna) contiene valori atomici (NO attributi
composti o multipli)
· ogni riga è diversa dalle altre (deve esserci la chiave primaria unica)
NORMALIZZAZIONE: PRIMA FORMA NORMALE - 1FN
Regole di traduzione in 1FN:
· assicurarsi che esista una PK che rende ogni
riga unica, altrimenti crearla
· scomporre gli attributi composti nei
sottoattributi
· creare una relazione (tabella) per ogni
attributo multivalore e collegarla alla
precedente tramite chiave esterna
se
se prima si è svolto la
RISTRUTTURAZIONE
allora la relazione sarà
già in 1FN
NORMALIZZAZIONE: SECONDA FORMA NORMALE - 2FN
Una relazione (tabella) è in 2FN se:
· è in 1FN
· tutti gli attributi NON CHIAVE dipendono dall'intera chiave primaria
(non ci sono attributi NON CHIAVE che dipendono solo da una parte
della chiave primaria)
NORMALIZZAZIONE: SECONDA FORMA NORMALE - 2FN
Regole di traduzione in 2FN:
· trovare tutti i determinanti diversi dalla chiave primaria composta
· creare una tabella per ogni determinante che compone in parte la PK
· le colonne (attributi) della dipendenza vanno spostate nella nuova
tabella dove la nuova PK sarà il determinante
· eliminare le colonne spostate dalla tabella originaria mantenendo solo i
determinanti che faranno da FK (chiave esterna) verso la nuova tabella
Cos'è una rete di computer?
RETE = interconnessione di più dispositivi che si scambiano informazioni
-> semplice: due dispositivi connessi da un cavo
-> complessa: milioni di dispositivi collegati tra di loro
La disposizione fisica dei cavi e dei dispositivi nella rete è detta topologia.
Parametri da considerare:
· Numero di nodi (host): inteso i computer collegati
· Numero di canali trasmissivi: numero di collegamenti
· Ridondanza (più strade possibili migliorano tolleranza ai guasti)
- i dispositivi servono per reindirizzare il traffico
Alcune definizioni ..
HOST : Qualunque dispositivo dotato di CPU in grado di connettersi alla rete
Topologia di rete
Topologia point-to-point
La topologia più semplice,
collegamento diretto (peer
to peer) tra due host
terminali
Topologia a maglia completa
Altissima fault tollerance, ogni host
connesso a tutti gli altri quindi costi
maggiori di implementazione
Reti a stella
Gli host sono collegati a un
dispositivo centrale (switch). Facile
da implementare e scalabile.
Nessuna fault tollerance, in caso
di guasto la rete è compromessa
a maglia -> il più complesso
a stella -> il più diffuso, cade la centrale: gli altri dispositivi non sono più collegati
Reti a bus
Reti ad anello
Non richiede dispositivi intermedi, è semplice da costituire.
Problemi di velocità e tolleranza ai guasti in quanto gli host
sono connessi su un canale comune e solo un calcolatore
alla volta può trasmettere (si devono dare il turno)
I dispositivi sono connessi a quelli adiacenti
formando un anello
Dati trasmessi «circolarmente» e trasmessi uno alla
volta, ma per trasmettere ogni nodo deve
cooperare. La caduta di un nodo compromette
tutta la rete.
Classificazione delle reti in base alla dimensione
-> rete locale: LAN (Local Area Network)
-> rete metropolitana: MAN (Metropolitan Area Network)
-> rete geografica: WAN (Wide Area Network)